海油发展-湛江区域中心-恩平18-6DPP模块钻机项目、陆丰12-3模块钻机EPC工程项目-升高管采购
采办计划公告
为便于供应商及时了解项目采办信息,现将(海油发展-湛江区域中心-恩平18-6DPP模块钻机项目、陆丰12-3模块钻机EPC工程项目-升高管采购)的采办计划公开如下:
恩平18-6DPP模块钻机项目
| 序号 | 物资名称 | 规格型号 | 数量及单位 | 备注 |
| 1 | 升高管 | 13-5/8"5000psi | 1套 | 每套升高管包括升高管、升高短节、变径短节、法兰,每套升高管及吊耳提供第三方检验证书,供货范围和具体参数要求见技术要求及请购单 |
| 2 | 升高管 | 20-3/4"3000psi | 1套 | 每套升高管包括升高管、升高短节、变径短节、法兰,每套升高管及吊耳提供第三方检验证书,供货范围和具体参数要求见技术要求及请购单 |
通用技术要求
1.升高管设计寿命至少为25年;
2.升高管本体面漆为红色,在升高管本体中间段用白色油漆喷涂出名称,工作压力,自重,长度,出厂日期,检验日期等信息。升高管本体提供船检证书;升高管本体上的吊耳需提供载荷的船检证书。加工制作前需发图纸给业主审核确认;
3.升高管制作参照标准:焊颈法兰标准:API Spec 6A,升高管标准:GB/T 8163-2008;
4.焊缝检验:焊缝100%射线探伤并拍片检验;
5.强度试验(静水压试验):试验时立管外表面不得有渗漏,且应保证表面干燥,试验计时应在试验压力达到额定试验压力时开始;
6.卖方应提供试验报告、材质证书、外购件证书以及吊耳载荷的船级社检验证书,买方代表应能在制造期间的任何阶段检验设备。检验期间,卖方应提供材质证书、车间试验数据、外购件证书及其它相关资料,以满足所要求的规格及质量,技术要求以升高管采办料单为准;
设备的涂装保护应满足海洋环境涂装规格书的要求,买方有权提高涂装规格书中涂层的标准,参见:防腐规格书DD-SPC-DPP(MDR)-CC-0001。
7. 交货地点:广东省珠海市金湾区中海福陆重工建造场地
8. 交货日期:升高管在2023年5月30日前到货。
13-5/8”5000psi
1. 13-5/8” 5000psi 升高管1根:总长度约为6200mm(具体长度以18-6采油树最终资料为准,可能存在少许偏差),管子上部连接为API 13-5/8” 5000psi BX-160的标准焊颈法兰,下部连接为 API 13-5/8” 5000psi BX-160的标准焊颈法兰,配相应的吊耳(两个吊耳离上部法兰面420mm用来起下升高管用,另两个吊耳距升高管的每段管的上下法兰面1000mm,每段升高管设置四个吊耳);吊耳高度不能超过法兰直径;
2. 13-5/8” 5000psi 升高管1根:总长度约为5250mm(具体长度以18-6采油树最终资料为准,可能存在少许偏差),管子上部连接为API 13-5/8” 5000psi BX-160的标准焊颈法兰,下部连接为 API 13-5/8” 5000psi BX-160的标准焊颈法兰,配相应的吊耳(两个吊耳离上部法兰面420mm用来起下升高管用,另两个吊耳距升高管的每段管的上下法兰面1000mm,每段升高管设置四个吊耳);吊耳高度不能超过法兰直径;
3. 13-5/8” 5000psi 升高短节1根:每根总长度1300mm,上部连接为API 13-5/8” 5000psi BX-160的标准焊颈法兰,下部连接为 API 13-5/8” 5000psi BX-160的标准焊颈法兰,配两个相应的吊耳; 吊耳高度不能超过法兰直径;
4. 13-5/8” 5000psi 升高短节1根:每根总长度1250mm,上部连接为API 13-5/8” 5000psi BX-160的标准焊颈法兰,下部连接为 API 13-5/8” 5000psi BX-160的标准焊颈法兰,配两个相应的吊耳; 吊耳高度不能超过法兰直径;
5. 13-5/8”5000psi 变径短节1根:每根总长度500mm,上部连接为 API 13-5/8” 5000psi BX-160的标准焊颈法兰,下部连接为 API 11” 5000psi RX-54的标准焊颈法兰,并配两个相应的吊耳;吊耳高度不能超过法兰直径;
6. 13-5/8”5000psi 变压短节1根:每根总长度1250mm,上部连接为 API 13-5/8” 5000psi BX-160的标准焊颈法兰,下部连接为API 13-5/8” 3000psi RX53的标准焊颈法兰,并配两个相应的吊耳;吊耳高度不能超过法兰直径;
7. 升高管通径≥346mm(要求出厂通经试验),工作压力5000psi,管子、法兰及其附件材质为35CrMo和耐温≥120℃并进行防硫处理,要求出厂压力试验为7500psi;
8. 13-5/8”升高管提供BX-160钢圈20个,RX-54钢圈20个,配齐配套连接螺栓并有10%的余量;每个法兰面有防护盖板;提供配套敲击扳手各2套。
9. 13-5/8”升高管配一个API 13-5/8” 5000psi BX-160的标准焊颈法兰相匹配的提升盖板,盖板上焊一个吊耳,吊耳SWL25吨;提供证书;
20-3/4"3000psi
1. 20-3/4” 3000psi 升高管1根(A管):总长度为8690mm,管子上部连接为API 20-3/4” 3000psi RX74的标准焊颈法兰,下部连接为 API 20-3/4” 3000psi RX74的标准焊颈法兰,配相应的吊耳(两个吊耳离上部法兰面500mm用来切割套管用,吊耳SWL25吨,吊耳高度不超过法兰);
2. 20-3/4” 3000psi RX74法兰,法兰上焊接21-1/4"双气胎钢壳(配套21-1/4"伸缩管使用);
3. 21-1/4”伸缩管1根(B管):总长度11000mm(中间不能有焊接),通径≥535mm;出厂通经试验;
4. 13-5/8”伸缩管1根(B管):总长度82000mm(中间不能有焊接),通径≥377mm,内径357;出厂通经试验;
5. 36"(914mm)变径到24"(610mm)并焊接21-1/4"双气胎钢壳(配套21-1/4"伸缩管使用);
6. 升高管通径≥530mm,工作压力3000psi,管子、法兰3000psi RX74的标准焊颈法兰;出厂通经试验。
7. 提供36"(914mm)API 601不锈钢金属缠绕密封3个,21-1/4"双气胎钢壳3套,21-1/4"双气胎8套(要求耐油及油基泥浆,提供材质证书),RX74钢圈10个,配齐配套连接螺栓并有10%的余量;每个法兰面有防护盖板;提供配套敲击扳手1套。
8. 13-5/8”升高管配一个API 13-5/8” 5000psi BX-160的标准焊颈法兰相匹配的提升盖板,盖板上焊一个吊耳,吊耳SWL25吨;提供证书;
陆丰12-3模块钻机EPC工程项目
| 序号 | 名称 | 规格 | 数量 | ? 备注 |
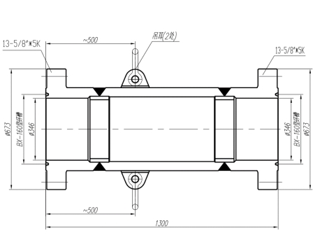
| 1 | 升高短接 | 13-5-8-5K L=1300mm | 1件 | 按图制作 |
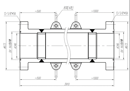
| 2 | 升高短接 | 13-5-8-5K- L=3910mm | 1件 | 按图制作 |
备注:
1、★提供3对法兰的连接螺栓、密封钢圈;
2、★提供材质证书、探伤报告、压力报告、船检证书
技术要求:
1、法兰规格为13 5/8"-5000psi,垫环槽BX160,堆焊Ni625耐蚀合金。
如下图所示:

2、提供材质证书、探伤报告、压力报告(操作压力5000psi)、船检证书。
产品应取得中国海洋石油作业安全办公室(COOOSO)认可的第三方检验机构颁发的检验证书,如 DNV、ABS、LR、CCS、BV 等。
3、按图制作。
13-5-8-5K L=1300mm 如下图

13-5-8-5K L=3910mm 如下图

(2)环境条件:
最高温度: 39℃
最低温度: 15℃
相对湿度: 97%
环境: 含盐潮湿海洋环境 设计
该设备应能满足海洋环境的要求。
(3)交货时间:合同订签后2个月内交货。
(4)交货地点:广东省湛江市坡头区南油码头装备技术公司湛江分公司海工场地。
本次公开的采办计划是本项目采办工作的初步安排,实际采购应以相关采购公告和采购文件为准,所有提供和反馈的信息只作为项目采办参考。
本次公告有效期是(2023年3月23日)至(2023年3月29日)止。在此期间,有意参与某采办包的系统用户可在集团公司采办系统中提交反馈材料。
海油发展采办共享中心湛江区域分中心
2023年4月10日